Na dërgoni me email

sdepochwater@hotmail.com

Produkte
Matësi i ujit për ujitje
  • Matësi i ujit për ujitjeMatësi i ujit për ujitje
  • Matësi i ujit për ujitjeMatësi i ujit për ujitje

Matësi i ujit për ujitje

Përdorimi: Instrument për matjen e rrjedhës për matjen e vëllimit të përgjithshëm të ujit që rrjedh nëpër tubacion.

Kushtet e furnizimit:

▶Madhësia:DN50~DN600

▶Material:Gazë prej gize

▶Klasa e temperaturës:T30,T50,T90

▶Klasa e presionit:MAP16,MAP10

▶Humbja e presionit:△P63


Mënyra e instalimit:

1.Instalimi horizontal.

2. Kërkohet filtri shtesë i ujit.

3. Hyrja/dalja e ujit të matësit të ujit ka nevojë për seksion të drejtë tubacioni U10/D5.


Karakteristikat:

1. Rezistenca e transmetimit të vogël, kapaciteti i madh i rrjedhës, kundër bllokimit dhe aftësia e fortë kundër ndotjes.

Rotor 2.Horizontal, makinë bashkimi i thatë, magnetik.

3. Banaku miraton vulosjen me vakum, kundër kondensimit dhe atomizimit, dhe mund ta mbajë leximin e qartë për një kohë të gjatë.

4. Struktura e lëvizshme është miratuar për instalim dhe mirëmbajtje të lehtë

5. Mekanizmi matës ka universalitet të fortë.

6. Sipas nevojave të klientëve, mund të sigurohet transmetimi në distancë dhe pajisja e transmetimit (transmetim i dyfishtë me kallam / sallë).


Parametri teknik:

DN (mm) Rrjedha varg Nota e matjes Maksimumi rrjedha Q4 E zakonshme rrjedha Q3 Rrjedha kufitare Q2 Minimumi rrjedhja Q1 Minimumi duke lexuar Maksimumi duke lexuar
Q3/T1 m3/h
LXXG-50 2” R20 (R25) 25 31.25 5 1.25 0.002 999, 999
LXXG-65 2/2" 40 50 8 2 0.002 999, 999
LXXG-80 3” 63 78.75 12.6 3.15 0.002 999, 999
LXXG-100 4” 100 125 20 5 0.002 999, 999
LXXG-125 5” 160 200 32 8 0.002 999, 999
LXXG-150 6” 250 312.5 50 12.5 0.002 999, 999
LXXG-200 8” 400 500 80 20 0.002 999, 999
LXXG-250 10” 630 787.5 126 31.5 0.02 9, 999, 999

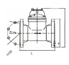
Dimensioni dhe pesha e përgjithshme:

Model DN Gjatësia Lartësia Fllanxha lidhëse
mm Fllanxha e jashtme diametri φD1 Numri i bulonat lidhëse D2 Numri i bulonat lidhëse
LXXG-50 2” 200 253 165 125 4*M16
LXXG-65 2V2" 200 268 185 145 4*M16
LXXG-80 3” 225 284 200 160 8*M16
LXXG-100 4” 250 295 220 180 8*M16
LXXG-125 5” 250 310 250 210 8*M16
LXXG-150 6” 300 339 285 240 8*M20
LXXG-200 8” 350 382 340 295 8*M20(1.0MPa) 12*M20(1.0MPa)
LXXG-250 10” 450 438 395 405
12*M20 (1,0 MPa) 12*M24 (1,0 MPa)

A. Gabimi maksimal i lejueshëm i një zone të ulët (Q1≤Q

B. Kur temperatura e ujit është ≤30℃, gabimi maksimal i lejueshëm në zonën e lartë (Q2≤Q≤Q4) është ± 2% Kur temperatura e ujit është> 30℃, gabimi maksimal i lejueshëm në zonën e lartë (Q2≤Q≤Q4) është ± 3%






Hot Tags: Matësi i ujit për ujitje
Dërgo kërkesë
Informacioni i Kontaktit
Gati për të marrë projektin tuaj të sistemit të ujit në nivelin tjetër? Dërgoni një hetim në Shandong Epoch Equipment Co, Ltd dhe merrni një përgjigje të personalizuar nga ekipi ynë. Ne jemi këtu për të ndihmuar me të gjitha nevojat tuaja të sistemit të ujit. Le të jemi partneri juaj i besuar.
X
Ne përdorim cookies për t'ju ofruar një përvojë më të mirë shfletimi, për të analizuar trafikun e faqes dhe për të personalizuar përmbajtjen. Duke përdorur këtë faqe, ju pranoni përdorimin tonë të cookies. Politika e privatësisë
Refuzo Pranoje